
EPPT1系列高能電源避雷器
是由多個單片式火花間隙或多個高能限壓芯片組成,適用于T1分類試驗,用于首級防護場合,防止雷擊過電壓或雷電波侵入對交流用電設備的破壞。
EPPT1系列高能電源避雷器接線簡便,安裝方便,安全可靠。開關型具有功能強大的“面放電火花間隙”雷電流泄放能力高,且具備續流抑制功能,可滿足高可靠高穩定系統的要求。
| 單相 | EPPT1-40-385-2P | EPPT1-15-385-2P |
| 三相 | EPPT1-40-385-4P | EPPT1-15-385-4P |
| 端口類型 | 一端口 | 一端口 |
| SPD類型 | 開關型 | B+C復合型 |
| SPD實驗類別 | T1 | T1 |
| 電源系統 | TT/TN/IT | TT/TN/IT |
| 最大持續運行電壓Uc | 385VAC | 385VAC |
| 沖擊電流 | 40KA(10/350μm) | 15KA(10/350μm) |
| 電壓保護水平 | 2.3KV | 1.5KV |
| 過流電路裝置 | 內置 | 內置 |
| 尺寸 | 144mmx95mmx67mm(T) 72mmx95mmx67mm(S) |
| 遙信報警 | 常開/常閉觸點端子(可選) |
| 連接導線 | 16-35mm2 |
| 安裝方式 | 35mm標準導軌安裝 |
| 工作環境條件 | 溫度范圍:-40℃~+70℃;濕度范圍:30%~85%(25℃) |
| 外殼防護等級 | IP20 |
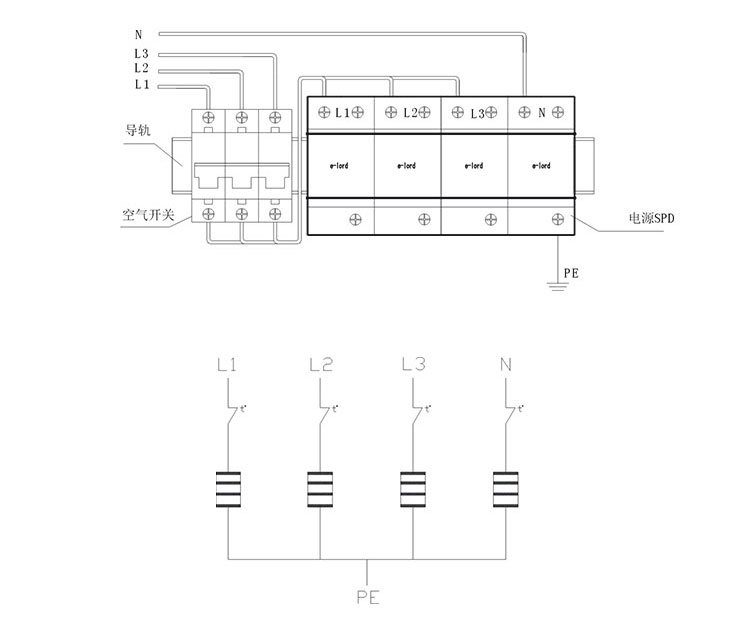
SPD與設備的接線方式
| 安裝使用條件 | 安裝注意事項 |
1. 已有可靠接地系統,在配電柜(避雷器安裝處)的接地樁 (條)上進行接地電阻的測定,電阻應符合相關規范要求。(或 滿足國家、部級標準)。 2. 配電柜中應留有安裝避雷器的空間,水平寬度為18×4(72) mm,上下寬度為大于150mm(考慮接線的方便),前后為大于 100mm,同時應有長為大于72mm的Ω型導軌,以固定避雷器。 3. 配套的配電柜應滿足國家相關產品標準。 注:L為電源相線;N為電源零線;PE為地線。 1. 相線用6-25mm2紅色/綠色/黃色導線連接; 零線用6-25mm2黑色導線連接; 地線用16-35mm2黃綠色導線連接。 2. 為防止短路,在避雷器的上端應安裝相應的,曲線C的空氣開 關。 | 1.應檢查空氣開關已經合閘導通,以保證避雷器處于運行狀態; 2.本產品只適用于室內使用; 3.不要在雷雨天安裝。 |






